MorGain 空间

 找回密码
 立即注册
查看: 3670|回复: 0

[示例] MID137【三柱扩展基础】原始数据及计算结果

 关闭 [复制链接]
发表于 2020-3-14 15:32:34 | 显示全部楼层 |阅读模式
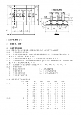
三柱扩展基础 J-1

荷载输入:各工况下内力标准值;

基础类型:X 向双坡基。

三柱扩展基础 J-1_1.jpg

三柱扩展基础 J-1.pdf

383.05 KB, 下载次数: 0

三柱扩展基础 J-1.mgs

12.71 KB, 下载次数: 0

您需要登录后才可以回帖 登录 | 立即注册

本版积分规则

QQ|手机版|Archiver|MorGain 空间

GMT+8, 2025-12-14 12:22

Powered by Discuz! X3.4

© 2001-2017 Comsenz Inc.

快速回复 返回顶部 返回列表